Dans la même catégorie que l’article sur le module Delta Dore Tyxia 6410, nous allons vous présenter ici de façon plus succinct le module Tyxia 4620.
A quoi sert le récepteur TYXIA 4620 de DELTA DORE ?
Il s’agit ici d’un récepteur contact sec (marche/arrêt) impulsionnel encastré qui va vous permettre de :
- Commander l’ouverture et la fermeture d’un automatisme sur contact impulsionnel tels qu’une porte de garage ou un portail motorisé, à partir d’un ou plusieurs émetteurs radio mobiles ou fixes
- D’ajouter un nouveau bouton de sonnette en entrée de propriété sur un carillon filaire existant, avec un émetteur TYXIA 2620 relié à un bouton poussoir étanche
- Permet d’augmenter le nombre de commandes bouton poussoir sur un circuit d’éclairage avec télérupteur
Il va vous permettre de commander une ouverture fermeture de porte de garage, gestion de la lumière grâce à ses fonctions domotiques notamment avec sa compatibilité avec les détecteurs de mouvement et d’ouverture de la gamme TYXAL.
Autrement dit ce récepteur va vous permettre d’appuyer à votre place sur le bouton de lumière ou du portail.
Caractéristiques
| Garantie | 5 ans |
| Type d”alimentation | Secteur |
| Alimentation | 230 V |
| Température de fonctionnement | -10 à 40 °C |
| Dimensions | H 48 x L 38 x P 23 mm |

Comment installer Tyxia 4620 Delta Dore

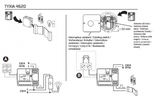
Dans son grand principe vous avez ci dessus le schéma.
Et ci dessous plus en détail :

Vous l’aurez compris il faut l’installer en encastrement d’où sa petite taille, mais mieux vaut avoir un peu de place dans son pot encastré et ne pas avoir trop de fil qui prennent la place. Nous vous conseillons une boite d’encastrement de 50mm
Ce qui est toujours sympa avec les produits de ce type chez Delta Dore est que le schéma électrique est indiqué dessus.
Comme pour le module 6410 la durée de déclenchement de 250ms / 4s, peut paraitre trop court et trop long pour certaine personne.
Il est à noter que vous pouvez le mettre directement dans un plafonnier.
Toujours côté éclairage il faut noter que sa compatibilité est assez large envers l’éclairage halogène 230V, incandescence 230V, ampoule à économie d’énergie, fluocompact, LED…
Prix Tyxia 4620 Delta Dore
Il est vendu au prix de 89€ sur le site de Delta Dore.






Ajouter un commentaire